ZDZ ENGINES

real power for your model airplane, PPG, Ull and many more applications

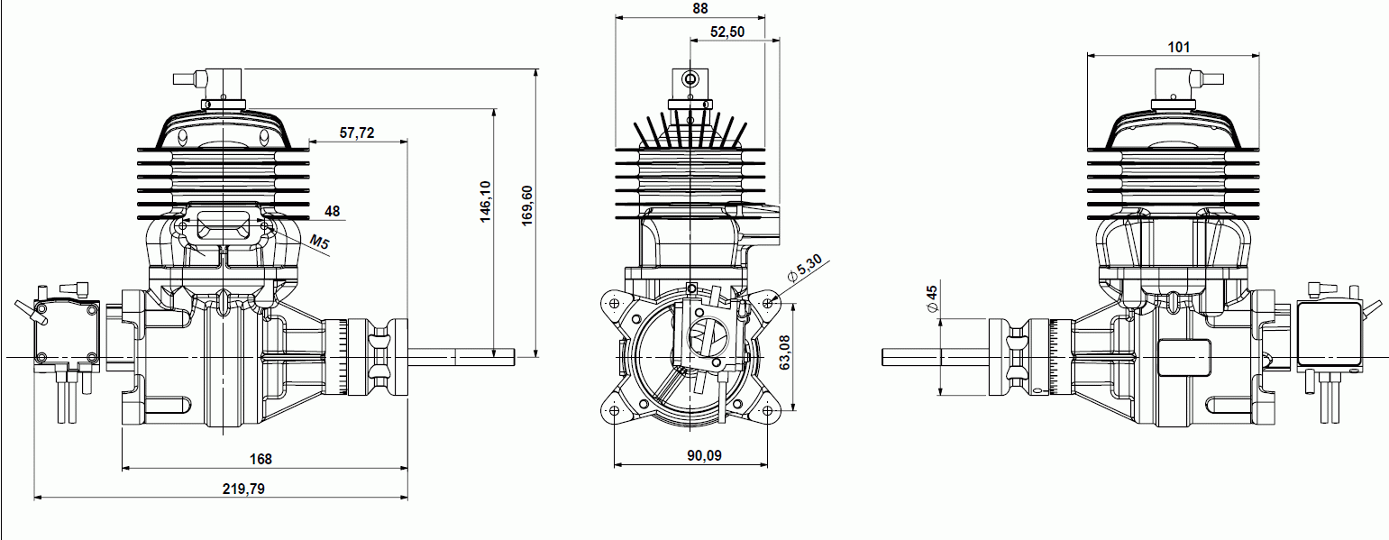
ZDZ 97RV-JCH

Super strong two stroke 90ccm class gas engine with procesor controlled ignition unit.
This engine is based on famous 90RV-J/180B2RV-J family , but it has many changes:
- CNC milled crankcase bringing more rigid core of the engine and lowering vibrations.  

- CNC milled backplate, 
- strengthened crankshaft,
- redesigned piston and cylinder
ZDZ 97RV-JCH brings the best power you can get in its class and very easily can replace any 120ccm boxer while saving weight on engine as well as on exhaust system. 
This way your plane will have very light weight and powerfull beaast under cowl. 

Fuel intake of this engine is managed by rotary valve which contrary to the usual reed valve system allows much more precise controll over the timing and same time brings much longer lifetime without need to change reed valves.
 
 

Displacement: 97 ccm
Weight: 2190g (3380g with electric starter)
Bore: 52 mm
Stroke: 46 mm
RPM range: 1000-8500RPM
Ignition unit: Processor controlled 4,8-7V
Fuel mixture(N95+oil): 1:40
Recommended twinblade propellers: 27x12, 28x10, 28x12
Recommended three blade propellers: 25x12, 26x12

 

 PDF file with ZDZ 97RV-J installation dimmensions.

Pilots, planes and installations

Peter Scholte, Extra 330L, ZDZ 180B2RV-J, Netherlands

News

16.6.2022 New service logistic announced. See more on http://www.facebook.com/zdzrc

5.1.2022 Magic year of the 30th ANNIVERSARY of the ZDZ engines on the market just started. See more here:

22.05.2020: New ZDZ 210R2-J CHAMPION released and added to our website.

See more here.

27.11.2019: New distributors in Finland and United Arab Emirates

More details on our facebook or in contacts

28.5.2019: ZDZ 500B4-JSR added to our website 

The biggest engine of ZDZ line now optionally equipped by belt reduction gear. Check this beast in QUAD section. 

13.2.2019: New prices set for engines in eshop.

The most of bigger engines are now cheaper. Go and check, register your engine in our form (see in the center of page) and get even lower price for your next purchase.  

13.1.2017: Second service and support center in Czech Republic/ druhé středisko  servisu a podpory pro ČR

RC modely-PH
Václavské nám. 254
Kutná Hora
284 01
tel 777152293 email:
petrhencl@seznam.cz

  

26.09.2015: New videos added 

 

07.02.2015: Pages update 

Dear Friends,
since yesterday 7PM till today 11Am, we have problems with email servers forwarding because of changing and adding domain names into our systems. If you sent anything within that period and received returning message, please forward your message once again.
Thank you and sorry for inconveniece.

04.02.2015: Pages update 

New distributor for BENELUX and UAE, see contacts-distributors for details. 

01.02.2015: Pages update 

New items added to the shop. especially spare parts were significantly updated and filled. And more to come........

31.01.2015: Pages update 

ZDZ 90RV-J,  ZDZ 112B2RV-Jch, ZDZ 180B2RV-Jch, ZDZ 250B2RV-J and ZDZ 224B4-J pages  update with new animation and downloadable 3D model where you can measure anything from installation dimms.

Also new items were added into spare parts section in eshop. 

08.01.2015: E-shop filled with all engines. 

Since today for those countries where we do not have oficiaal dirstributor our customers can order engines directly from our eshop. Soon we will add parts and accessories to it as well. 

20.12.2014: ZDZ 112B2RV-J Champion

Already well known for its smooth run and awesome power to weight ratio two stroke 112ccm opposed twincylinder model gas engine with procesor controlled ignition. Now fully CNC made crankcase and backplate out of 7075 aluminium alloy so very clean design bringing better quality as well. Weight increased compared to former 112B2RV-J is only 50 grams. 

ZDZ 112B2RV-J Champion

17.12.2014: Technical support in France

We have agreed with one of our most experienced pilots and friend Nicolas Gastaldi, that he will kindly support users in France. In case you have a problem with setup or tuning the engine or need advice, please contact Nico on email nicogasta@hotmail.com. Of course you can contact us directly as well, but we speak only english unfortunatelly. Thank you Nico for your help and very good representation of ZDZ engines at all. 

ZDZ 180B2RV-J  Champion finally available.

This the most powerfull engine in its class now comes with much nicer design with fully CNC machined crankcase and backplate and some other modifications like forged steel con rods to bring super long lasting power and durability.  

 ZDZ 180B2RV-J CHAMPION